88爱彩

全国咨询热线:4008-270-271
全部产品 首页 产品中心 产品视频 88爱彩 新闻资讯 联系我们
产品详情
首页 > 产品中心 > 防爆电磁阀

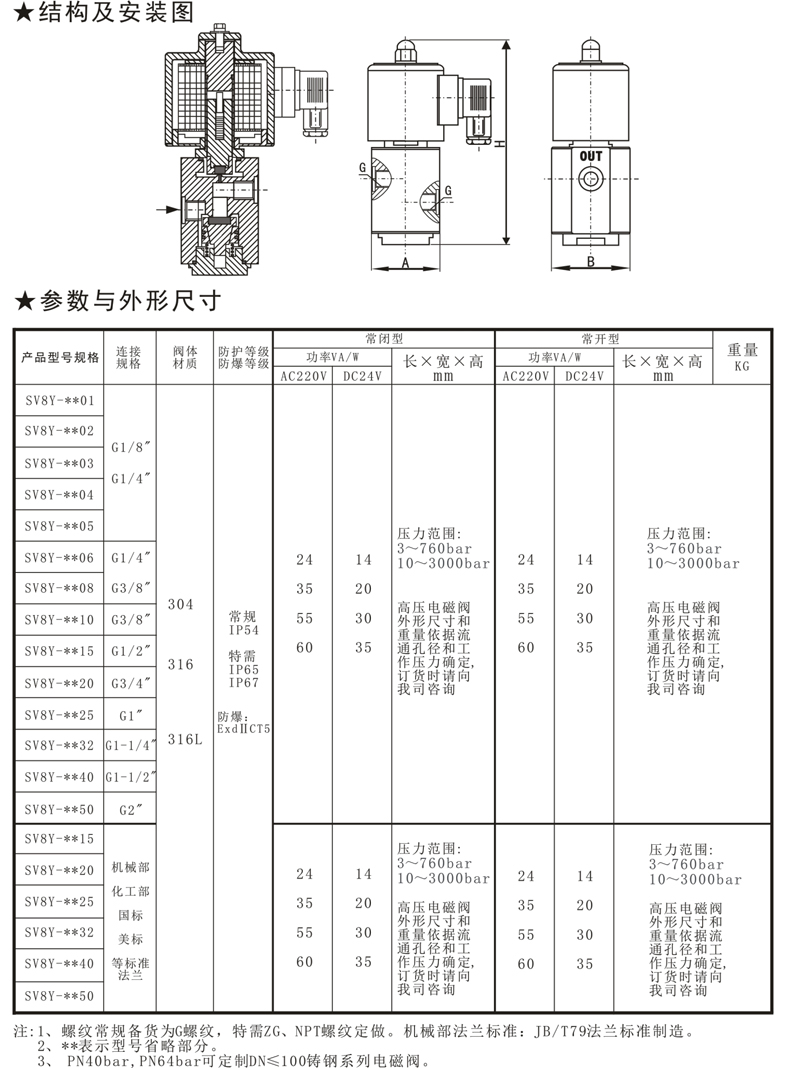
SV8Y先导活塞不锈钢法兰高压/螺纹防爆电磁阀

产品性能特点:

→国产化优品、工艺成熟、进口配件、做工精美、性能稳定
→先导式结构、飞碟型活塞式、导向结构
→泄露量:0ml/min
→运动粘度:≤50CSt(mm2/s)
→环境温度:-15~75℃
→安装方式:水平管道线圈竖直向上安装;如需竖直管道安装,需特别说明
→航天、军工指定配套产品
→广泛使用于航天、军工、核能工业、船舶、石化、电力、医药设备、消防设备、机械制造、压力设备、环保设备、水处理、纺织等行业


SV8Y先导活塞式高压电磁阀

SV8Y先导活塞式高压电磁阀

更多产品资料请联系我们

上一篇:SV8X直动活塞不锈钢螺纹高压/铜螺纹防爆电磁阀
下一篇:SV6I先导膜片铜螺纹式大口径/空压机专用防爆电磁阀
产品中心 / Product

首页         /         走进儒炜         /         产品中心        /         新闻中心         /         联系我们

全国服务热线 Servises
4008-270-271

88爱彩版权所有@2019    88爱彩   


    儒炜移动官网
名贯彩票-大发精准计划 88爱彩 - 欢迎您 金彩汇快3 - 首页 79991cm德彩网 美彩国际7709 德彩网 - 欢迎您 美彩国际 - 欢迎您 美彩国际 - 欢迎您