88爱彩

全国咨询热线:4008-270-271
全部产品 首页 产品中心 产品视频 88爱彩 新闻资讯 联系我们
产品详情
首页 > 产品中心 > 电动球阀

EQ9B两通式内螺纹/粘插/卡箍/对夹电动球阀

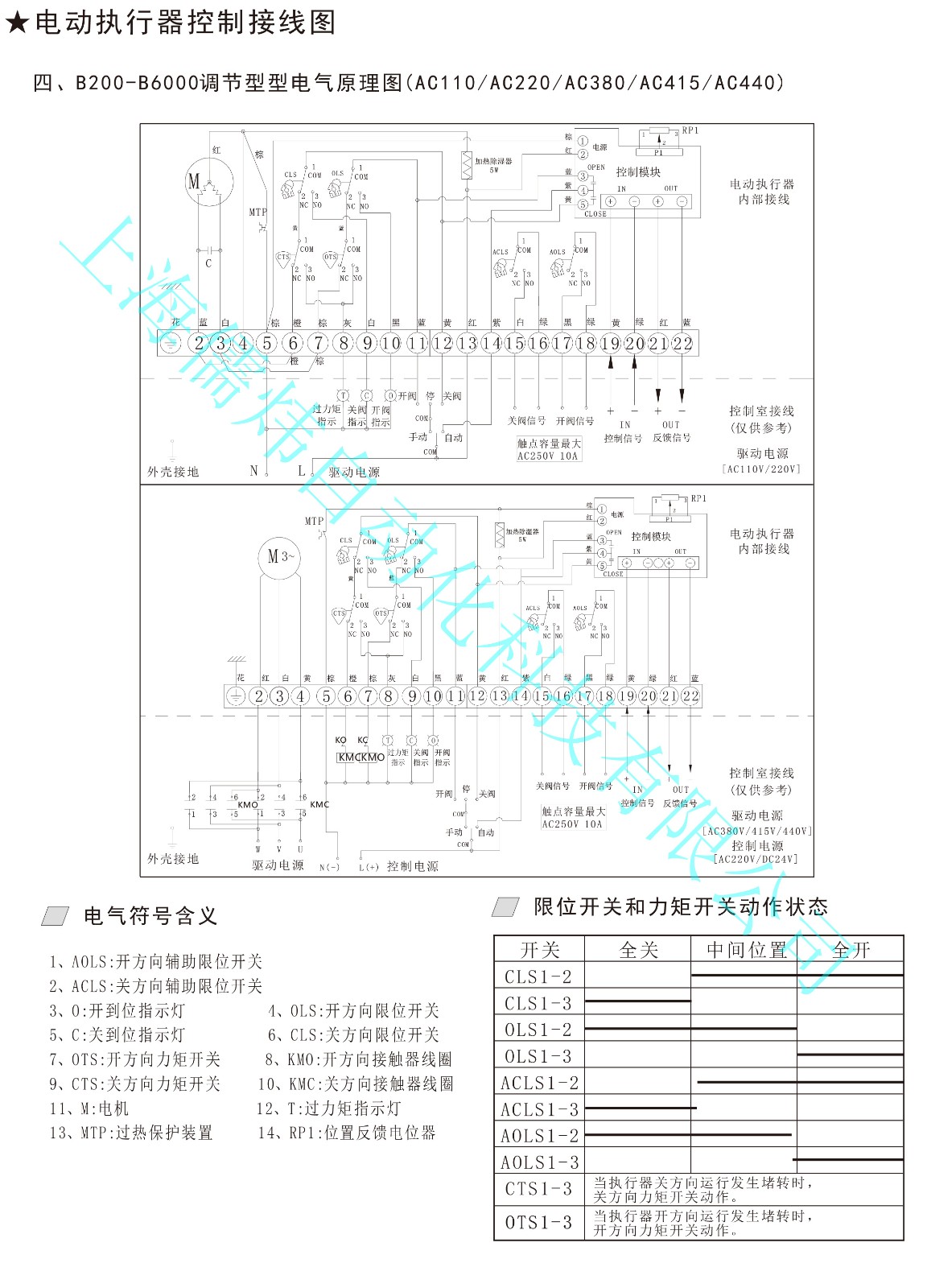
产品性能优点:
01、可双向流通
02、介质的粘度及清洁度没有限制
03、因动作时间慢,无水锤冲击
04、可选开关功能和调节功能
05、可任意角度安装
06、有阀位位置指示及触点输出
07、有防爆型(防爆等级:ExdⅡBT4)
08、有整体型(现场液晶显示及现场控制)
09、有应急手轮装置,手动装置通电后自动复位
10、有过热保护装置,不易烧电机
11、输出力矩50~6000N.m

1590759210294044.jpg

1590759212650062.jpg

1590759212636069.jpg

1590759213173208.jpg

1590759215573061.jpg

1590759217883565.jpg

1590759218762818.jpg

1590759219987311.jpg

1590759221898017.jpg

1590759224987764.jpg

1590759228335482.jpg

更多产品资料请联系我们

上一篇:EQ9B衬氟电动球阀
下一篇: EQ9A电动螺纹/三通/塑料三通式/卫生级三通式球阀
产品中心 / Product

首页         /         走进儒炜         /         产品中心        /         新闻中心         /         联系我们

全国服务热线 Servises
88爱彩 4008-270-271

版权所有@2019    88爱彩   


    儒炜移动官网
名贯彩票-大发精准计划 88爱彩 - 欢迎您 金彩汇快3 - 首页 79991cm德彩网 美彩国际7709 德彩网 - 欢迎您 美彩国际 - 欢迎您 美彩国际 - 欢迎您