88爱彩

全国咨询热线:4008-270-271
全部产品 首页 产品中心 产品视频 88爱彩 新闻资讯 联系我们
产品详情
首页 > 产品中心 > 三通电磁阀

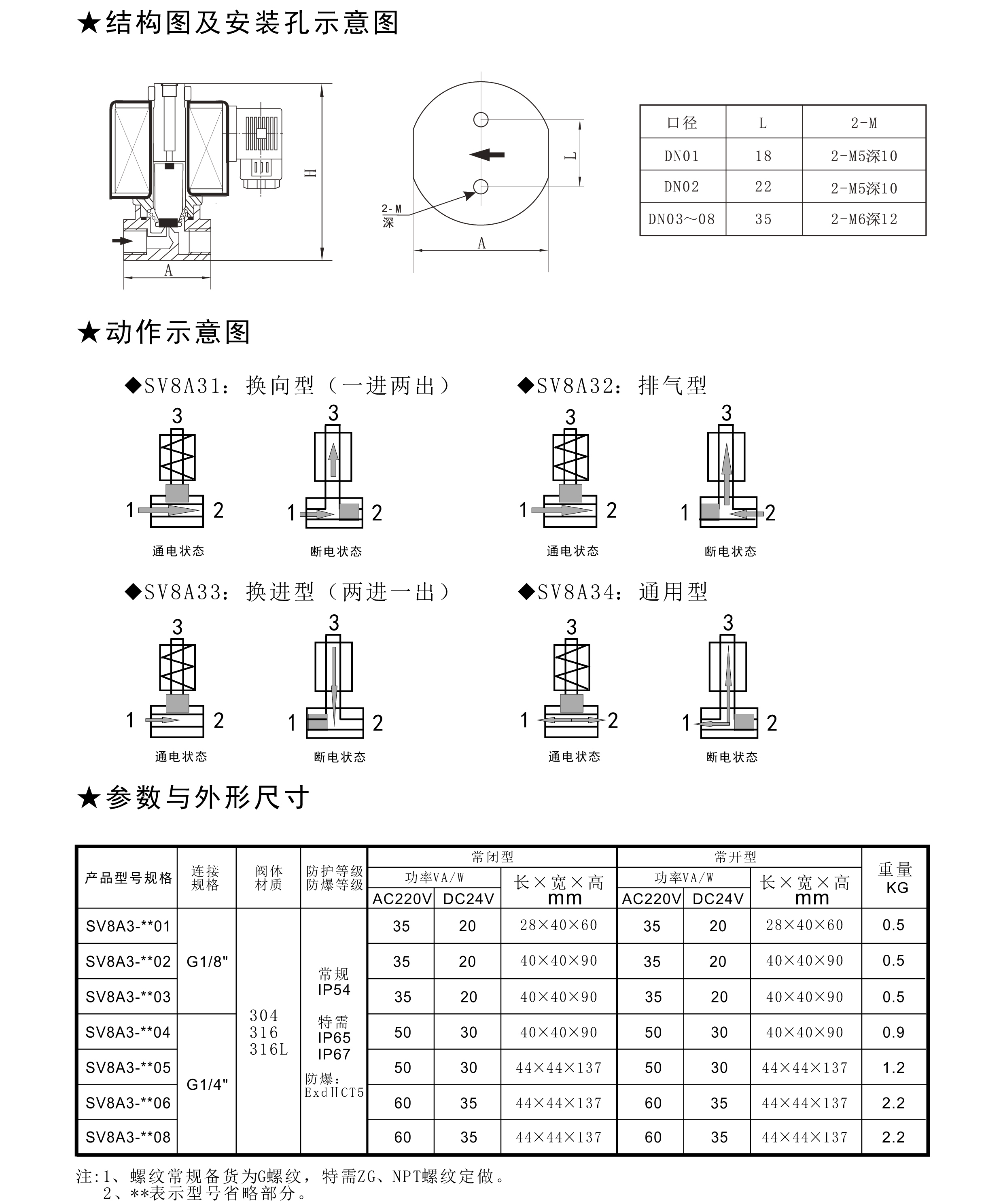
SV8A3直动活塞式不锈钢螺纹式三通电磁阀

产品性能特点:

→国产化优品、工艺成熟、进口配件、做工精美、性能稳定
→直动式结构、飞碟型活塞式、二位三通式
→泄露量:0ml/min
→运动粘度:≤50CSt(mm2/s)
→环境温度:-15~75℃
→安装方式:必须水平管道线圈竖直向上安装
→航天、军工指定配套产品
→广泛使用于航天、军工、核能工业、船舶、石化、电力、医药设备、消防设备、机械制造、压力设备、环保设备、水处理、纺织等行业

1590420071841588.jpg

1590420210876615.jpg


更多产品资料请联系我们

上一篇:SV8B3活塞螺纹式组合三通电磁阀
下一篇:往下没有该分类产品啦
产品中心 / Product

首页         /         走进儒炜         /         产品中心        /         新闻中心         /         联系我们

全国服务热线 Servises
4008-270-271

88爱彩版权所有@2019    88爱彩   


    儒炜移动官网
名贯彩票-大发精准计划 88爱彩 - 欢迎您 金彩汇快3 - 首页 79991cm德彩网 美彩国际7709 德彩网 - 欢迎您 美彩国际 - 欢迎您 美彩国际 - 欢迎您